Prendre l’air…
.
L’autre jour tandis que je lézardais en ville, j’entends dans la rue un de ces bruits de moteur qui vous font toujours vous arrêter :
« ça c’est une Porsche ! » me dis-je…
Et comme toujours, ça ne loupe pas, une jolie 911 Targa noire des années 70 déboule au coin de la rue, bien fatiguée en plus, de quoi vous égayer une journée.
Je marche alors en pensant qu’il y a des voitures comme ça, dont on reconnaît toujours le bruit, la 2CV surtout. Là je percute: toutes deux sont refroidies par air. Puis je pense à la coccinelle, aux Panhard… Et je me dis que leur son est unique, que si les moteurs refroidis par eau sont moins bruyants c’est parce qu’en plus de refroidir, le compartiment du liquide isole du bruit…
Ces voitures à air si différentes sont toutes très fun, ce qui ne fut pas le cas du contexte dans lequel elles ont été créées, et puis finalement sont-elles si différentes ?
Cette technique reprend le système de beaucoup de motos dont les cylindres à ailettes sont refroidis par l’air ambiant. Cela a aussi existé en automobile, mais dès que l’on met une carrosserie autour… ça rafraîchit forcément beaucoup moins bien.
C’est donc le principe de refroidissement par air forcé qui a permis la création de la voiture de mes fantasmes nocturnes les plus fous sur le circuit du Mans : LA Porsche 917.
.
Si on met le moteur derrière, on le met où le radiateur ?
.
La gestation du refroidissement par air forcé s’est faite dans l’empire Austro Hongrois des années 30. Après avoir lu plein de blogs qui répètent sans cesse la même chose sur cette époque super gaie, je vous ai fait un petit résumé des innovations importantes en vous faisant grâce des idéologies associées:
Edmund Rumpler est l’ingénieur autrichien qui a fait plein d’avions allemands pendant la première guerre et surtout il a breveté l’essieu à bras oscillants : the rear half swing axles, les suspensions sont donc indépendantes.
Il a sorti la Rumpler Tropfenwagen en 21 dont l’idée folle est de profiler la carrosserie à l’avant en mettant le moteur derrière. Le dit moteur est tempéré par une eau qui n’est elle-même pas suffisamment refroidie par un ventilateur pris sur l’arbre à cames. Ca chauffe !
L’autre grande originalité est de penser la mécanique afin qu’elle soit en symbiose avec la carrosserie, c’est une exception à cette époque ou les constructeurs sortent des châssis-moteur qui partent ensuite se faire carrosser ailleurs.
Cela finit par convaincre Benz de faire une voiture de course comme ça : la Benz Tropfenwagen. Ils étudient le châssis Rumpler et en font un quasi similaire mais ajouré pour gagner en poids. Puis ils se débrouillent à copier tout en réinterprétant son « swing rear axles » breveté pour ne pas en payer les droits.

Ne vous fiez pas aux apparences, il s’agit sans doute d’une des voitures de course les plus perfectionnées de son époque. Hyper profilée puisque le moteur et le radiateur sont derrière, dotée d’un 6 cylindres accouplé à une boite pont avec roues indépendantes, il y a même des freins arrières in-board. Quand j’écris ça j’ai l’impression de décrire une voiture qui a été conçue 50 ans plus tard.

Là encore, un seul problème : « on le met ou le radiateur ? » «Heuu… T’as qu’à le mettre sur le toit ! » et du coup le refroidissement atterrit derrière la tête du pilote.

La voiture obtiendra la quatrième place au grand prix d’Italie 1923, ce qui n’est pas si mal quand on sait combien les moteurs Fiat de cette année-là étaient puissants.
Benz ne s’en satisfait pas et arrête les moteurs arrière sur ses grands prix.
Bien qu’on ne sache pas ou mettre ce satané radiateur, le moteur arrière permet de baisser les coûts de production et la conso, avec une carrosserie plus aérodynamique, on peut alors rouler aussi vite avec un moteur plus petit, on gagne du poids et de l’argent à ne pas produire de transmission, de radiateur et toute sa tuyauterie. L’Allemagne d’après la crise de 29 est fan de cette logique et veut produire sa voiture du peuple.
Et dès les années 20 de petits constructeurs mettent des moteurs de moto à l’arrière de petites voitures caisses à savon (Hannomag, Hansa et celles de Josef Ganz dont le web crie haut et fort la paternité de la Volkswagen), sauf qu’elles sont refroidies par l’air ambiant, il vaut donc mieux éviter les heures de pointe en été.
.
C’est Hans Ledwinka qui l’a inventé!
.
Dès 1923 Hans Ledwinka sort la Tatra 4/12 à un tarif très bas, puis la 11. C’est une voiture à moteur avant mais c’est une petite révolution : le châssis en échelle disparaît pour laisser place à un tube central anti -déformations, la voiture est dotée du système Rumpler de suspensions à roues indépendantes.
Et surtout elle est équipée d’un moteur flat twin refroidi par air forcé. Un ventilateur entraîné par le vilebrequin est placé derrière le moteur.
Tatra en posera les brevets et fera évoluer ce système sur les modèles suivants qui se vendront très bien.
.
Heckmotor
.
Au début des années 30 Hans Nibel prend le poste de Ferdinand Porsche chez Mercedes. Il étudie des voitures à moteur arrière avec Josef Ganz comme consultant. Elles reprennent le châssis tube de Tatra, leurs système de suspensions, sauf que le moteur est derrière. Ce seront les modèles « H » pour « heckmotor » (moteur arrière). Plusieurs prototypes sont étudiés, refroidis par eau ou par air (oui, comme la Volkswagen de Ferdinand) mais ce sera le refroidissement liquide qui sera choisi pour sortir la 130H. Notez cependant que le moteur est placé en porte à faux arrière :

Concernant l’aérodynamique de ces voitures, vous l’avez lu cent fois, elles répondent le plus souvent aux préceptes brevetés de la graine de citrouille de Paul Jaray :

Cette graine de 1922 a bien fleuri… Le principe est d’avoir un capot bombé et une ligne arrière effilée, ligne qui revient en force aujourd’hui dans nos rues… bref ! Revenons à nos moutons, voici la Mercedes :

En 1933 Hitler est nommé chancelier. S’en est fini de Rumpler, Ganz et Jaray car ils sont de confession juive. Rumpler et Ganz seront arrêtés et emprisonnés. Vite relâchés ils quitteront le pays. De son côté, Paul Jaray poursuit l’aventure en ayant rejoint Hans Ledwinka chez Tatra dès 1932.
En Allemagne on entreprend une profonde restructuration du secteur automobile. Hitler et Henry Ford ont des affinités, il faut produire en grande série, regrouper les petits constructeurs pour faire des économies d’échelle, ce sera la création d’Auto-Union (Audi, DKW, Horsch, Wanderer).
Hitler alloue 500 000 RM pour les grand-prix, cela doit revenir à Mercedes mais Porsche se met sur les rangs avec Auto-Union bien qu’ils n’aient aucune chance.
Sauf qu’ Hitler a demandé à être présenté à Porsche dans les années 20. Ce dernier ne s’en souvient même pas. Hitler le reçoit pour le projet Auto-Union grand prix et les secrétaires d’Hitler témoigneront que lors de leur rencontre, Porsche est la seule personne à qui il n’a pas coupé la parole pendant une demi-heure.
Porsche n’a rien, si ce n’est ses idées et il fait le hold-up pour la compétition en soutirant un tiers des crédits alloués.
Quand Porsche met au point la Type C à moteur arrière et radiateur à l’avant, il rencontre toujours des problèmes de refroidissement ! Le liquide est amené au moteur via les tubes du châssis, ça fuit, la structure se déforme et se fend.

Hitler veut aussi sa Volkswagen, il la promet à beaucoup de constructeurs, notamment Opel qui appartient à Géneral Motors, représentée par Heinrich Nordhoff. Porsche planche sur les Grand-Prix lorsqu’il rencontre à nouveau Hitler, il remporte pourtant le projet d’un cheveu. Lorsque Nordhoff voit son étude, il est très critique, il pense que ce n’est pas la bonne méthode et pourtant après-guerre, Nordhoff sera celui qui la produira.
.
En 1933 Hans Ledwinka Senior retourne la voiture.
.
Il s’agit de trouver une succession au type 11, et Jaray propose un dessin assez radical pour le Projet 57.

Un prototype est fait mais il est tellement axé sur l’efficacité aérodynamique au détriment d’une esthétique plus consensuelle qu’il n’est pas accepté par le directoire.
Erich Ledwinka junior (car père et fils bossent pour le même patron) fera alors deux prototypes, un à moteur avant et un à moteur arrière. C’est celui à moteur avant qui remportera l’accord de la direction, ce sera la Tatra 57 de 1932, ils ne se sont pas trompé, ce sera le best seller absolu de la marque.
Ce consensus ne plait pas à Hans Ledvinka sénior, il continue de travailler avec Paul Jaray sur le prototype à moteur arrière, une nouvelle carrosserie est faite et voici leur projet V570…
En fait la voiture rencontre des problèmes de refroidissement qui vont conduire Ledwinka à s’obstiner durant 18 mois afin de réussir à refroidir ce foutu moteur arrière flat twin. Si bien qu’il inventera un système de refroidissement à air forcé si complexe qu’il posera une douzaine de brevets et que le projet sera abandonné.
Loin de jeter l’éponge ils se remettent au boulot avec Jaray (sans en informer leur direction) pour faire l’énorme T77, la voiture la plus moderne de son temps, ils la présentent comme ça à un directoire bouche bée qui ne peut que l’accepter.
Cette voiture est donc la première à sortir en série avec un moteur arrière refroidi par air forcé, le problème n’est plus le refroidissement, c’est la tenue de route à vitesse élevée, la voiture étant mue par un gros V8 refroidi par deux gros ventilateurs, elle était capable de dépasser les 150 à l’heure.
Vous noterez le moteur en porte à faux arrière et les deux ventilateurs entraînés par courroie :

Hans Ledwinka sortira successivement plusieurs modèles et notamment la T97 de 1936 dotée d’un quatre cylindres boxer à plat qui déplaira fortement à un petit moustachu teigneux.
.
KDF Wagen : le mégamix !
.
Ferdinand Porsche connait bien Hans Ledwinka, ils sont tous deux originaires de l’actuelle Tchécoslovaquie et ils collaborent régulièrement. Ceci explique que la future Cox conçue par Porsche soit un mix de toutes ces technologies. Elle s’inspire du style Tatra, de son châssis poutre, de son moteur flat four arrière refroidi par air forcé, et reprend de Mercedes le moteur en porte à faux arrière, enfin, emprunte à Paul Jaray la ligne streamline.
Hitler est tellement jaloux en ayant découvert la T77, que la Tatra T97 inspiratrice de la cox sera interdite de salon en Allemagne. Et les choses se gâtent encore entre nos deux Tchèques: Hans Ledwinka porte plainte dix fois pour les multiples plagiats de son refroidissement à air. Hitler envahit le pays et stoppe carrément la production de la voiture qui lui fait de l’ombre.
En plus Hitler déteste les Tchèques, il surnomme Porsche « le génie Allemand » et ça pose un problème: à la demande du parti national-socialiste, Ferdinand accepte de se faire naturaliser Allemand.
Cependant Porsche n’a pas tout copié non plus… Il a réinterprété le tout afin de réussir à produire une voiture à un prix de vente inférieur à 1000 Reichmarks! Même Mercedes avait d’ailleurs jeté l’éponge, pour eux il était impossible de la sortir à moins de 2000.
En fait, la Volkswagen Type 1 ne sera vraiment produite qu’après-guerre. Le comble pour Mercedes qui avait trouvé le concept en premier est qu’elle se vendra bien plus cher! Ainsi on peut s’égarer à penser que Volkswagen qui est le plus gros groupe automobile mondial est né de la capacité de Ferdinand à faire gober n’importe quoi à Adolf.
.
Ferdinand épisode 1 : la guerre des Ferdinands
.
Au début Porsche n’a pas d’usine, seulement un bureau d’étude. Le projet est d’abord financé par le consortium des constructeurs allemands, appelé RDA, qui l’attend au tournant (surtout Nordhoff). Il doit d’abord présenter un prototype avec un crédit de seulement 25000 RM assortis d’un délai de 10 mois, mission impossible…
Il s’outille et se retrouve à fabriquer le prototype dans le garage de sa villa avec une douzaine de collaborateurs. Vous le verrez plus tard c’est une des caractéristiques de cette famille de réussir l’exploit de fabriquer des bagnoles n’importe où.
Ils le testent jusqu’à l’extrême, tout explose, ils refont tout. Après lui avoir collé 50 000 kms, Porsche présente la voiture à Hitler en snobant le RDA. Ces derniers lui mettent des bâtons dans les roues et Hitler s’agace, les menace… Mercedes se retrouve à produire 30 prototypes de la voiture et 60 SS d’Himmler se transforment en pilotes d’essai.
Le RDA n’a plus de pouvoir et Porsche se retrouve financé par le Parti Nazi qui extorque 250 millions par an à la population. Il en aura 10% pour faire la voiture, il met le doigt dans l’engrenage sans aucun scrupule, il veut produire.
Porsche n’est pourtant pas un pro nazi mais il va là où il peut bosser. Son bureau d’étude a d’ailleurs été financé à 10% par Rosenberger qui est juif. Staline a tenté de le recruter au début des années 30 et il n’y est pas allé à cause de la barrière de la langue. Mais c’est vrai, il s’entend bien avec Adolf. Ferdinand Porsche junior ira jusqu’à dire qu’il pense qu’Hitler voyait en Ferdinand senior un père.
Sans usine il n’a pas trop le choix, il semble aussi protéger son fils Ferdinand -surnommé Ferry pour qu’on les distingue-, on le voit beaucoup moins que lui avec le parti. Pourtant Ferry participe à la conception, aux présentations et aux essais des voitures, mais c’est son père qui est en première ligne.
Le designer de la kdf wagen de Porsche est Erwin Komenda -encore un Autrichien-, qui a rejoint Porsche en 34, il dessinera d’abord des Auto Union de grand prix.
Komenda est visiblement inspiré par les lignes streamline lui aussi et s’en servira pour faire la kdf :

En 39 Kowenda se sert de la base cox pour faire la très aérodynamique Porsche type 64:

Hitler demande au RDA combien coûtera la production d’un exemplaire: 200 RM. C’est trop cher pour lui, il décide de construire carrément une usine : Wolfsburg.
Ferdinand est envoyé avec son neveu Ghislain en 36 aux états unis visiter Detroit. Toute la famille y retourne en 37 parce qu’il faut construire l’usine: ils rencontrent Henry Ford. Il y a Ferdinand, Ferry, Ghislain, le gendre Anton Piëch.
L’usine se construit à la fin des années 30, c’est un peu Hitlerland, tout doit être beau, il crée une ville entière pour accueillir les travailleurs, c’est « la cité de la joie ».
Quand la guerre éclate en 39 les travaux s’arrêtent, on double les cloisons et les toits de l’usine d’une couche de béton anti-bombardement, on installe un bureau SS et des baraquements, le rêve se transforme aussitôt en cauchemar.
Pour Porsche aussi c’est le choc, en entrant en guerre son projet de voiture civile ne sert plus à rien. Il s’engueule avec Hitler lorsqu’on commence à lui demander de produire des équipements militaires mais il est trop tard.
La famille qui pour la première fois a une usine se retrouve au point zéro. Commencer dans ces conditions extrêmes sera une exception dans l’histoire des constructeurs. Dès le début ils doivent produire autre chose: La KDF conçue pour les routes doit se transformer en tout-terrain du front russe, en voiture amphibie, il faut faire des avions, des chars, des V1… Ce n’est quand même pas commun de commencer comme ça!
D’ailleurs, l’usine n’est même pas terminée, elle n’a pas de main d’œuvre, mais grâce au travail forcé, elle devient un véritable camp de travail. Par contre elle est dépourvue de fonderie et du coup en 43 Volkswagen prend la direction de Peugeot qui en a une belle.
Deux commissaires délégués (directeurs) de Volkswagen débarquent en Mars. L’accord est rédigé par Peugeot et signé le 6 Octobre 1943 : Volkswagen prend sous sa responsabilité le programme de l’usine, Peugeot est indemnisé de la « modification de programme ». Ferdinand Porsche obtient d’Hitler que les 400 travailleurs forcés qui doivent quitter l’usine restent.
Porsche confie la gestion de Wolfsburg à son gendre -beau cadeau- et il navigue entre là, Stuttgart, Sochaux… Il offre à Hitler un cabriolet Volkswagen noir avec intérieur cuir pour son anniv’ que l’on n’a jamais retrouvé.
L’usine Peugeot résistera en ralentissant la production, en pratiquant les sabotages (14 en cinq mois) ; furieuse, le 23 Mars 44 la direction régionale de la gestapo envoie une cinquantaine de Waffen SS nord africains qui arrêtent tous les directeurs. Porsche est à Sochaux et négocie l’horrible, trois seront arrêtés.
Mais Ferdinand Porsche est dans une logique productiviste, il n’a aucun scrupule, et a sauvé les hommes pour ne pas ralentir la production. L’usine sera bombardée par la RAF (150 morts) et la fonderie Peugeot détruite. Porsche jette l’éponge, il pense avoir tout fait pour sauver Peugeot, mais les allemands quittent le navire en embarquant 85 tonnes de matériel.
C’est la débâcle, la production est transférée dans l’ignoble mine de Thiercelet, dont je vous passe les détails de la construction réalisée par la main d’œuvre des camps de concentration.
Enfin en 1944 Porsche reçoit l’ordre d’Albert Speer (ministre d’Adolf) de quitter l’Allemagne et de relocaliser son bureau d’étude, ils déménagent à Gmünd en Autriche et attendent…
En 46 Mr Lecomte, officiel français mandaté par Marcel Paul débarque chez les Porsche et les invite à Baden-Baden. Ces derniers sont suspicieux et ne veulent pas y aller. Ferry y va en éclaireur et revient en disant que c’est sans risque, les français veulent construire une voiture populaire et demandent leur aide: les affaires reprennent !
Ferdinand, Ferry et Anton se rendent à Baden-Baden, ils discutent avec la délégation française.
Là on frappe à la porte, ils sont tous trois arrêtés par Raymond Hamel de la DGER en charge de l’épuration. Ferdinand et Anton sont interrogés, Ferry plus jeune est le plus cuisiné sur la Volkswagen, ils veulent les plans. Ferry ne parlera pas et dira plus tard « je n’aime pas parler de mécanique avec des collègues qui ont des flingues ».
Lecomte n’était pas au courant et fonce prévenir Mme Piëch à Gmünd, elle se retrouve seule à faire bouillir la marmite des 200 employés qui affluent depuis l’Allemagne.
Ferry est finalement libéré mais son père et son beau-frère sont transférés directement à la case prison, à Dijon. Le prétexte de leur détention est le travail forcé des ouvriers français à l’usine Volkswagen, et cela semble assez justifié.
.
La VW Beetle
.
A la fin de la guerre, cette ville usine pourrait faire un épisode de « Lost les disparus ». Les SS abandonnent leurs postes lâchement pendant la nuit et laissent les travailleurs livrés à eux-mêmes. C’est l’anarchie, la vendetta et en plus la ville nouvelle inachevée ne figure même pas sur la carte, ça prendra beaucoup de temps pour que les américains y arrivent.
Ils transfèrent leur compétence aux anglais, Ivan Hirst est le responsable du site, il dépend du colonel Radclyffe. Il rétablit l’ordre puis la production. Ce militaire assure vraiment, il rend confiance. C’est un joyeux bordel pluriethnique, les ouvriers quittent l’usine sans prévenir, d’autres arrivent… Mais il parvient à redonner une production. Au bout d’un moment cela le dépasse, il faut qu’un Allemand compétent prenne l’usine en main. Heinrich Nordhoff est sur le marché…
Nordhoff n’a jamais pu blairer les nazis, il tenait Opel pour GM mais pendant la guerre son usine a été captée pour faire des camions, afin d’éviter que les secrets du Reich finissent entre des mains américaines. Mais voilà GM a laissé complètement tomber cette unité de production. Lorsqu’il leur écrit il n’obtient pas de réponse. Il se retrouve concessionnaire à Hambourg. Il n’arrête pas d’écrire aux américains mais il est considéré comme « ayant bossé avec les nazis ».
Le seul qui lit ses lettres est Ivan Hirst, il le recrute et en fait le directeur de la production afin de pouvoir rentrer à la maison. La situation à Wolfsburg est catastrophique et pour Norhoff, sa vie professionnelle dépend de la réussite de cette reconstruction.
Il était pourtant le plus hostile opposant du RDA à ce projet et maintenant la vie de cette ville dépend de lui, il assume et fera tout pour garder l’équilibre fragile de ses nouveaux salariés encore mal nourris et traumatisés.
.
PART 2 : Quand Citroën croise Porsche…
.
C’est encore un ingénieur en aéronautique, André Lefebvre, qui entre en 1916 aux usines d’avions Voisin. Comme les autres il a un gros bagage en aérodynamique lorsque la marque se réfugie après-guerre dans l’automobile. Il retient de cette expérience de nombreuses règles d’or pour la conception d’une voiture.
Il entre chez Citroën en 1933 et démarre le concept de la Traction 7, avec comme designer Flaminio Bertoni et comme motoriste Maurice Sainturat. Lorsque l’entreprise est liquidée fin 34, c’est Michelin qui entreprend la restructuration drastique et obtient la majorité des parts en 1935. C’est alors Pierre, le fils d’Edouard Michelin qui dirige la boutique et donne son aval pour continuer la Traction avant. On commence dès cette année-là les études sur sa remplaçante, le projet VGD (voiture de grande distribution) qui sera la DS.
Les deux hommes s’entendent bien et Pierre Michelin l’incite à aller au salon de Berlin voir ce que fait la concurrence. Il y rencontre Ferdinand Porsche, qui parle français et les deux hommes échangent sur les nouvelles technologies.
Michelin a nommé Pierre Boulanger directeur général de Citroën, il suit une démarche inverse à la kdf qui aboutira aux mêmes conclusions mécaniques: les allemands veulent des voitures pour leurs autoroutes en construction et lui, il est exaspéré de voir les paysans français transporter leurs victuailles sur des charrettes tractées par des bestiaux. Il veut lui aussi sa voiture du peuple mais pour rouler dans la gadoue. Ce sera le projet TPV, toute petite voiture, la future Deux Chevaux.
La logique monétaire est la même. Chez Michelin on a envoyé dès 1922 le « questionnaire national de l’automobile populaire » dont on tirera de nombreuses conclusions sur les caractéristiques que doit avoir le véhicule (vitesse, place, conso etc…). En 1937 chez Citroën une nouvelle enquête annonce que la clientèle potentielle de la marque se compose à 60% d’acheteurs d’une voiture moins de 10000 Francs. Du coup André Lefebvre a carte blanche.
Il y a quand même des différences: on vise l’utile et l’économique avant l’agréable, il n’y a pas de propagande fascisante, un seul phare devant et un seul feu derrière, confort minimum, démarrage type tondeuse à ficelle… Le but est de supplanter l’animal pour aller fourguer ses légumes.
Bertoni arrive génialement à imaginer une ligne qui répond à la fois aux exigences aéro de l’époque (capot bombé et arrière fuyant), à la capacité de chargement voulue par les statistiques et à la fabrication très économe prévue :

Les premières motorisations seront faites par Maurice Sainturat. Sur ces protos, plusieurs moteurs refroidis par eau seront testés.
Flaminio Bertoni, qui est Italien, est rejoint par Albert Becchia en 41. Becchia est un motoriste connu pour avoir commencé avec Victorio Jano chez Fiat en grand prix, puis Sunbeam, puis Talbot ou il signe de très grands moteurs dont celui de la T150… Nos deux italiens n’ont pas intention de revenir au pays de Benito et restent en France pendant la deuxième guerre.
Bertoni possède une bécane depuis l’avant-guerre -une BMW R12- et Becchia est très partisan, comme Lefebvre, du refroidissement à air. La gestation du moteur se fait donc comme en Allemagne: on commence par monter dedans un moteur de moto.
Après la guerre Walter Becchia sort très rapidement un flat twin fonte avec culasses alu quatre soupapes, refroidi par air forcé et placé en porte à faux avant. On a même les freins avant inboard.. L’avantage du refroidissement par air est le même: baisse des coûts et le capot ferme.
Par contre après-guerre on a un gros problème chez Citroën: le projet est en cours depuis longtemps mais l’Etat ne veut pas qu’il sorte.
La France est en retard pour ce qui est de la concentration de ses constructeurs… La production s’est arrêtée pendant le conflit avec l’armistice alors que les autres pays ont continué accroître la leur pour l’effort de guerre. De plus, les usines ont été dépouillées de leurs machines par l’occupant -l’usine Bugatti a carrément disparu-.
A partir de 44 les français réquisitionnent à leur tour des machines d’occase en Allemagne. Puis à la libération, la situation du secteur automobile devient une question d’Etat. Ce sera la planification, la nationalisation. Le plan Pons (plan quinquennal de l’automobile) ne veut plus de petits constructeurs, Peugeot, Panhard et Simca doivent se regrouper avec de plus petits pour atteindre une taille suffisante. Citroën et Renault sont jugés assez gros mais le plan les contraint tous à se concentrer sur un segment de marché : Citroën doit s’occuper du haut de gamme avec sa traction, Renault et Peugeot de la « voiture moyenne » et Panhard/Simca doivent s’occuper du bas de gamme : l’A.F.G. (Aluminium Français Grégoire).
Cette dernière découle du concept de Jean Albert Grégoire: même topo, bicylindre refroidi par air que Citroën avait refusé de l’acheter car ils avaient leur TPV, ce sera donc la Dyna de Panhard car Simca se retire du projet.
Il faudra que Michelin intervienne pour sauver la Deux Chevaux… Devant l’influence de la manufacture de pneus l’Etat plie, la voiture est présentée en 49. Il faut dire que l’Etat lui-même a commencé à ne pas respecter le plan Pons quand Renault a fait le forcing pour que la 4CV soit sortie.
Du coup Citroën fait le grand écart dans sa gamme, le très haut, le très bas et rien au milieu.
Lors de sa sortie elle fait l’objet de moquerie mais Citroën cible parfaitement sa clientèle: les premiers clients retenus sont les médecins de campagne, les membres du clergé, les agriculteurs indépendants…
La durée d’attente pour en avoir une sera de deux ans et qu’il s’en écoulera plus de sept millions, avec deux phares et un démarreur…
.
Quand Citroën croise Porsche : le projet VGD
.
Chez Citroën on planche sur la remplaçante de la Traction dès 1934, en présentant la Traction 22 avec son V8 mais on renonce (déjà) à la mettre en production.
Le projet VGD (voiture de grande distribution) qui sera la future DS suit comme le projet TPV une longue gestation depuis l’avant-guerre. Les protagonistes sont les mêmes: Flaminio Bertoni s’occupe de la carrosserie, Walter Becchia du moteur, Pierre Boulanger et Andre Lefebvre sont aux commandes.
Pierre Boulanger perdra la vie en 50 dans un accident lors d’un de ses aller-retour vers Clermont-Ferrand, Robert Puiseux de chez Michelin devient PDG et Pierre Bercot est le nouveau responsable du projet VGD.
L’excellent site Brandpowder nous montre que la ligne de la maquette Tatra 77 de Paul Jaray inspire Bertoni (pare-brise galbé) mais aussi Porsche (galbe et décroché de l’aile arrière) :

Voici leurs deux études, c’est presque le même dessin, seule la position des roues arrières diffère, caractéristique de la DS :
Bertoni :

Komenda :

Au niveau motorisation pour la VGD, Becchia prévoit un flat six refroidi par eau ou par air qui doit être positionné en porte à faux avant.
Ce moteur fait partie intégrante du projet, mais il ne sera hélas pas produit.
Chez les Citroënistes c’est un peu le sujet qui fâche. En faisant mes cadeaux de noël j’ai feuilleté quelques ouvrages sur la mythique DS et certains n’en parlent même pas… Du coup j’ai offert des bouquins sur « les secrets pour réussir son potager »…
Sur le web on lui trouve tous les défauts à ce moteur: il n’aurait pas pu entrer dans la carrosserie -comme si nos deux italiens ne communiquaient pas-, il n’était pas assez puissant, il consommait trop, il était trop bruyant, trop lourd, bref ! D’autres disent plutôt que le directoire ne voulait pas investir dans l’outillage, ce qui parait beaucoup plus plausible…
En parcourant l’ouvrage de Gijsbert-Paul Berk en partenariat avec Michel Lefebvre sur son père (le fils était en plus pilote essayeur du projet); ce dernier semble plus convaincu que c’est le manque d’investissement pour le produire qui a fait défaut.
Il écrit que ces problèmes n’étaient qu’une question de développement et de mise au point, qu’avec un carburateur par banc de cylindres un prototype avait dépassé les 160 à l’heure. Les essais se faisaient sur route ouverte et en 1952 l’Auto-Journal sort plusieurs articles: ils ont une taupe chez Citroën et ils publient même un plan du moteur qui a du être lu et apprécié par Ferry Porsche :

Vous noterez qu’un arbre à cames central est situé au-dessus du vilebrequin et qu’il actionne les soupapes par des poussoirs.
Mais en 1953 la direction refuse le moteur, André Lefebvre est « quite upset » nous dit l’ouvrage. Ils doivent redessiner tout l’avant pour qu’il reçoive une évolution du moteur de la Traction 11… Ce dernier s’invite alors dans l’habitacle pour pouvoir fermer le capot et le six en ligne de la 15 ne rentre pas.
Loin de moi l’idée de critiquer la sacro-sainte DS qui de par sa ligne et sa technicité est une révolution. Cependant, en choisissant de mettre le moteur de la gamme moyenne précédente dans la nouvelle voiture haut de gamme, cela aura forcément pour conséquence de baisser aussi les motorisations de la future gamme moyenne d’un cran.
Si on replace les choses dans le contexte ça devient plus compréhensible, il y a Michelin mais aussi la nationalisation « accidentelle » de Renault dont l’Etat veut faire un laboratoire social. Si une situation déficitaire de la régie est permise, pour Citroën, Michelin ne semble pas vraiment du même avis.
Le PGD de la « régie » Pierre Dreyfus dit même : « Notre tâche est de pouvoir démontrer qu’une entreprise nationalisée est capable de battre d’autres entreprises du secteur privé(…) de donner une meilleure vie aux travailleurs (…) Mais je ne crois pas qu’elle soit faite pour faire des bénéfices ».
Renault palpera la moitié du plan Marshall (2,5 millions de dollars pour sa section auto) et Citroën ne touchera que 500k. Pour Pierre Bercot, Renault est un cauchemar et pour ce qui est de l’investissement, Michelin se sert toujours forcément le premier et ils vendent des pneus aux concurrents. La bataille ne se fera pas à armes égales, Citroën est muselée par Michelin et les banques prêtent sans problème à Renault car Renault…c’est l’Etat.
Il lui en coûtera 18 Milliards de Francs pour effacer les dettes de la régie dans les années 80, là Bruxelles signalera une atteinte à la libre concurrence, tu m’étonnes !
Pour couronner le tout le Général De Gaulle qui nomme le premier ministre qui nomme le ministre des transports qui nomme le directeur de la régie Renault fait de la DS sa voiture officielle, « la connerie est adoubée ».

.
Porsche n’aime pas Renault non plus…
.
Pendant que Ferdinand Porsche et Anton Piëch sont en prison, ils sont consultés sur le projet de la 4CV Renault. La France demande 500 000 francs par tête pour leur libération et pour l’instant la famille ne peut pas payer… En attendant Ferry et sa sœur achètent une scierie.

Ils créent en 1947 la Société Porsche Konstruktionen GesmbH à Gmünd.
.
Ferdinand épisode 2 : Ferdinand contre-attaque.
.
Ferry Porsche est jusqu’alors resté dans l’ombre de son père mais il a quand même un bon carnet d’adresse. Rudolf Hruska et Carlo Abarth sont des amis.
Ils se rencontrent à Mérano (fief de la famille de Carlo) car ils ont comme partenaire commercial Pierro Dusio, un passionné de sport auto qui a fait fortune en vendant des équipements de sport -en l’occurrence des bottes pour l’armée, il y a sport et sport…-. Sa société se nomme Consorzio Industriale Sportivo Italia : CISITALIA.
Il a comme ami Tazio Nuvolari qui a conduit les Auto Union de Porsche, et qui est alors sans volant. Ils pensent que Ferry Porsche est l’homme de la situation et lui donnent des fonds pour construire une voiture de grand-prix et un tracteur.
Comme par le passé ou son père avait fait la KDF dans son garage, Ferry se lance dans la réalisation de la Cisitalia 360 dans la scierie…
Bien évidemment la fonderie se fait à Milan mais c’est quand même assez fort, surtout quand on analyse la complexité de la voiture : 12 Cylindres à plat central arrière, refroidie par eau, transmission intégrale.
Il ne mettra pas deux ans pour la réaliser.
Cet argent permettra de payer la caution/rançon de l’Etat Français, Ferdinand Porsche père et Anton Piëch sont libérés, c’est le pilote Raymond Sommer qui assure la transaction.
Ils sortiront en petite quantités les premières 356 carrossées par Erwin Komenda avec des pièces de Volkswagen. Mais un problème se pose : la 356 est une Volkswagen améliorée, il y a des problèmes de droits d’exploitation. Ferry appelle Heinrich Nordhoff…
Les deux hommes s’entendent tout de suite, ils se connaissent depuis longtemps.
Nordhoff est seul à la tête d’une usine encore fragile, si Porsche sort la même voiture s’en est fini. Porsche n’est pas en grande forme financière non plus, ils ont besoin l’un de l’autre.
Ils négocient un énorme contrat signé en Septembre 48 comme l’explique le site Porsche Holding :
« Les éléments essentiels du contrat incluent des droits de licence pour chaque coccinelle construite, l’autorisation de construire une voiture de sport sur la base de la coccinelle (la Porsche 356) et la distribution par ce qui sera, plus tard, le réseau mondial Volkswagen, mais aussi des accords portant sur les services techniques du bureau d’études Porsche et enfin le contrat d’importation général de Volkswagen pour l’Autriche. »
Forcément ça les sort de l’embarras… La 356 se développera et s’exportera comme des petits pains. Ferdinand Porsche décédera en 1951 après avoir vu les premières Volkswagen sortir de l’usine, Anton Piëch décédera en 1952 alors que son fils Ferdinand attaque ses études d’ingénieur en Suisse.
En 1951 ils embauchent Heinrich Klie pour faire les clay, les maquettes des nouveaux modèles. Il bosse avec Komenda qui n’écoute rien de ce que lui demande son boss. Dans l’ouvrage Porsche 911 : 50 years il est rapporté que Ferry disait « dès que je lui demande une ligne verticale il me fait une horizontale ». Qualifié de rebelle, Komenda étudie seul une quatre place pour remplacer la 356, le type 530, son projet apporte de l’intérêt mais Ferry est occupé par d’autres projets, ils font déjà de la F1.
En 53 / 54 ils font plusieurs études, toutes ressemblent à une grosse 356, avec le pare-chocs avant très bas…
La Citroën DS est présentée au salon de Paris le 6 Octobre 1955

La ligne est révolutionnaire, elle influence les idées de Klie et Komenda qui dès Janvier 1956 dessinent et modèlent ça :

Le capot est beaucoup moins bombé que sur les 356, le pare-chocs remonte et affine, le phare a reculé.
En 1957 Ferry recrute Albert Graf Von Groertz qui a fondé son bureau de design avec Raymond Loewy et qui a réalisé les BMW 503 et 507. Goertz fait les dessins et Klie les réalise, la ligne de toit change complètement et l’arrière se tronque dans une forme en trapèze qui rappelle aussi beaucoup le pare chocs chromé de la DS qui ceinture l’arrière des ailes -l’auteur de l’ouvrage ne mentionne aucune ressemblance avec la DS, mon avis ne concerne donc que moi-:
Et comme d’habitude chez Porsche, on étudie, on développe, aucune de ces études ne sera retenue. On recrute aussi: Le fils de Ferry, Ferdinand Alexander, le surnommé Butzy arrive dès 57 comme stagiaire avec Klie et Goertz.
Recruté en 58 il bosse pendant neuf mois aux motorisations, puis est envoyé chez Komenda, puis en 59, il fait partie de l’équipe de designers de Klie.
Deux écoles se forment: celle de Komenda et celle de Klie/Goertz. Komenda a été à l’origine du projet « quatre places » et il remet tout le temps en question ce que font les autres. L’équipe Klie frappe fort en montrant à Ferry une maquette de leur type 764, il demande qu’elle soit développée et qu’elle n’ait rien à voir avec la 356…
.
Ferdinand épisode 3 : le retour des Ferdinands.
.
Cette fois il s’agit de la troisième génération de Ferdinands, Butzy Porsche prend de plus en plus d’importance au niveau du design si bien que son père Ferry les envoie chez le carrossier voisin Reutter pour faire son étude du projet. Il sépare ainsi la division Design de son fils et de Klie de la division Carrosserie de Komenda.
Pour ce qui est de la motorisation Ferry a débauché Klaüs Von Rucker de chez Studebaker. Cela lui permet de connaitre les goûts américains en termes de motorisation: L’objectif est d’atteindre 130 chevaux.
L’histoire se répète car Porsche recrute aussi Léopold Jäntsche. Il vient de chez Tatra qui produit la 603.

Ils réalisent le moteur Porsche 745 très typé Tatra avec ses deux ventilateurs.
Comme Citroën dix ans avant ils rencontrent les mêmes problèmes : pas assez puissant, trop bruyant…
Le moteur a quasiment la même distribution que celui que Becchia a réalisé pour Citroën. Un arbre à cames central est placé au-dessus du vilebrequin, il actionne les poussoirs de l’admission. Différence avec Citroën: un second arbre est situé en dessous pour actionner les poussoirs des soupapes d’échappement.
En 1961 Porsche est condamné à régler 3 millions de DM à Tatra suite au procès entamé avant-guerre, Ferry est en train de reprendre leur système, il paye sans broncher.
Sauf que Ferry ordonne son développement! Ils augmentent la cylindrée et atteignent les 130 cv fatidiques. Le moteur est monté dans un prototype de carrosserie, c’est la T7, surnommée après son essai « la moissonneuse batteuse »: tout est à revoir.
Ferry change d’ingénieurs, Hans Mezger est muté depuis le département compétition avec Horst Marchat, ils reprennent le 745 pour faire le Porsche 821.
Le problème vient des poussoirs: Pour payer le développement Ferry abandonne la F1. Ils développent une culasse avec un arbre à cames en tête par rangée de trois cylindres, entraîné par une chaîne tendue hydrauliquement.

Ca marche cette fois sauf que le moteur a des problèmes de lubrification. Le neveu de Ferry, Ferdinand Piëch a fini ses études en Suisse et a été recruté depuis peu. Il propose un carter sec qui sera adopté.
Ferdinand et Ferdinand discutant du moteur :

Concernant la ligne le projet de Klie et Butzy est adopté, la suspension avant est complètement refaite et la voiture est présentée au salon de Francfort 1963 :

La voiture s’appelle la 901, Peugeot a les droits sur les numéros qui ont un zéro au milieu, les deux marques se frottent encore, Porsche la renommera 911.
Butzy Porsche et sa première mouture -il en dessinera un paquet ensuite- :

Le développement de la 911 aura coûté 21 millions de DM à son père.
.
Chez Citroën on s’aperçoit qu’on a oublié de développer des moteurs…
.
Les années 60 sont dures pour Citroën, on passe à côté de la manne des exportations vers les Etats-Unis parcequ’ils aiment les gros moteurs. En plus malgré la sortie de L’Ami 6 en 61 on n’a toujours pas de moyenne gamme. On est entré au capital de Panhard dans les années 50 et le contrôle en est pris en 65.
Là aussi, lorsqu’ils veulent faire une berline, Pierre Bercot de Citroën leur interdit, de même pour les moteurs, interdit de concurrencer Citroën. Cela conduira la marque à disparaître.
Aux vues du retard accumulé on décide de développer le Wankel et on rachète Maserati en 68. Enfin on va retrouver des voitures à gros moteurs, la Khamsin, la SM mais les moteurs ne sont plus français.
La Panhard PL17 quitte le réseau en 65 et après l’arrêt de la 24 Panhard arrête l’automobile en 1967.

Après l’échec de Panhard de développer le milieu de gamme ses ingénieurs travaillent aux côtés de ceux de Citroën pour la GS. Là encore les moyens sont très légers car c’est le Wankel et Maserati qui absorbent le gros du budget.
En plus la gamme doit être chapeautée par la bi-rotor, le moteur qu’ils développent ne doit pas le supplanter. Ils sont limités à un peu plus de 1000 cm3.
Ils arrivent cependant à créer une petite merveille, un flat four boxer tout en alliage léger avec le même système d’arbres à cames en tête que celui développé par Porsche si ce n’est que la distribution est à courroies. C’est un peu le Citroën 912 …
Malgré sa petite cylindrée le moteur air cooled propulsera la berline à 150 à l’heure, dotée de suspensions hydropneumatiques elle est celle qui correspond le plus à l’idée originelle de la DS de 48, 20 ans après, elle est lancée en 1970 :
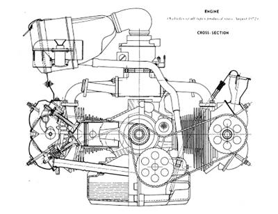
La même année Porsche remporte pour la première fois les 24 heures du mans, Steve Mc Queen est en plein tournage, leurs 917 est monstrueuse.
Alors fait-elle du bruit ?
Je conclurais en disant que depuis l’arrêt du refroidissement à air forcé chez Porsche il y a peu avec la 993 -il me semble-, la côte de ces voitures a complètement explosé, certains s’en étonnent, moi pas du tout ! De même pour la DS, je ne suis pas surpris ! C’est quand même mérité! N’ayant pas les moyens de m’offrir une 911, encore moins une 917, je vous l’avoue… je lorgne les GSX à moins de mille balles avant qu’elles aient disparu elles aussi…
.
.
Citroënët // Heinkelscooter.blogspot // Tatraworld // Grandprixhystory // Ouvrage Porsche 911 : 50 Years d’Andy Leffinwell // Ouvrage Andre Lefebvre and the cars he created at Voisin and Citroën de Gijsbert-Paul Berk // Ouvrage Thinking Small: the long strange trip of the Volkswagen Beetle d’Andrea Hiott // GSA aventure.com // The Blenheim Gang (Paul Jaray et Citroën Axel) // Le Blog de la Jamais Contente (V6 français la fin d’une illusion) // Boitier Rouge // Brandpowder (seeds of beauty) // Articles de Jean Louis Loubet // Ouvrage histoire politique des services secrets français // Ouvrage industriels et banquiers français sous l’occupation // Etc…














Bonjour, superbe article, avec un énorme travail de recherche en amont; encore un très grand merci!
Merci pour cet article. C’est un travail d’historien, d’un esprit libre de toutes les idées battues et rebattues (qui finissent par ne plus être des idées, mais des lieux communs pitoyables), « idées »,donc qui tournent en rond autour de Porsche et Citroën. Bravo pour cet exposé clair, et non dénué d’humour, qui apporte des points de vue inédits sur l’évolution de ces deux marques. Je vous suis tout à fait sur votre hypothèse DS-Butzi-911. J’ai trouvé une photo où l’on voit Butzi modeler la future 911, derrière lui, sur un tableau noir, il y a des esquisses de la DS Citroën, dont une qu’un trait oblique (trait génial,dirait un porschiste fanatique) transforme en 911! Bravo aussi pour les illustrations particulièrement bien choisies.
Vraiment très intéressant ! 🙂
article somptueux, merci
Super article !